首页
产品中心
培训课程
关于我们
登录
E-Calculator
在线安全距离计算工具
E-Calculator
在线安全距离计算工具
在线安全距离计算工具(E-Calculator)
E-Calculator,根据相关标准,计算对应的安全距离,包括:机械安全 避免人体各邵位挤压的最小间距,机械安全 防止上下肢触及危险区的安全距离,机械安全 与人体部位接近速度相关的安全防护装置的定位。
根据不同的计算类型,输入对应的计算参数,系统自动计算结果,并给出对应的结论信息,并生成Word报告,及二维码。
生成的计算报告,通过邮箱,在线发送,同时还可以永久保存到当前账户下(需要登录)。
立即体验
手机扫码体验
小程序体验(未上线)
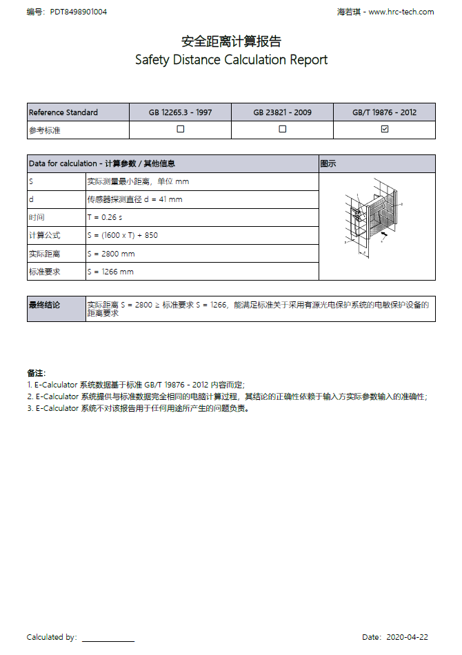
报告样板
用科技赋能安全改善
产品目录
1. 机械设备作业防护风险评估系统(TaMRA)
2. 检维修LOTO作业安全管理系统(E-LOTO)
3. 在线机械防护隐患核查系统(M-Guarder)
4. 专业便捷的在线安全审核工具(Ai-Audit)
5. 机械风险评估师在线视频培训及认证考核(CMRE)
6. 在线安全屏障分析工具(E-Barrier)
7. 在线安全距离计算器(E-Calculator)
联系方式
电子邮件
手机号码
企业微信
联系地址
友情链接
茵赛咨询
南德TUV
安酷·安全应急科技
Copyright © 2020-2025 Hierarchy. All Rights Reserved.
粤ICP备20020794号
Loading...
拼命加载中...
×
×
×
×
大图查看
×
×
×
CMRE 介绍
×
当前视频组件不被支持,
获取支持